Ò¼¶¨·¢

ÐÂÎŻ

Ò¼¶¨·¢M3ÖÇÄÜÏà»úÈÙ»ñÖÇÄܼì²â½±

·ÖÏíµ½£º
Ðû²¼Ê±¼ä£º2019-08-16 ȪԴ £º
? ? ? ? 2019Äê3ÔÂ1ÈÕ£¬£¬µÚ15½ìÖйú×Ô¶¯»¯¼°ÖÇÄÜÖÆÔìЧÀÍÄê»á£¨¼ò³ÆCAIMRS£©ÔÚ±±¾©Íò´ïÎÄ»ªÂùݾÙÐС£¡£¡£ÔÚ±¾½ìCAIMRSµÄ¡°µÚÊ®Æß½ì×Ô¶¯»¯¼°ÖÇÄÜ»¯Äê¶ÈÆÀÑ¡°ä½±ÍíÑ硱»·½ÚÖУ¬£¬Ò¼¶¨·¢ÆìϵÄM3ÖÇÄÜÏà»ú£¬£¬ÈÙ»ñ×Ô¶¯»¯Á¢Òì½±Ö®¡°ÖÇÄܼì²â½±¡±¡£¡£¡£

Ò¼¶¨·¢ÆìϵÄSCI-M3ÖÇÄÜÏà»ú£¬£¬ÈÙ»ñ×Ô¶¯»¯Á¢Òì½±Ö®¡°ÖÇÄܼì²â½±¡±
ͼ1? °ä½±ÏÖ³¡

? ? ? ??CAIMRS¼´China Automation & Intelligence Market Research Seminar£¬£¬Óɹ¤¿ØÍøÖ÷Àí£¬£¬²¢»ñµÃ¹¤ÐŲ¿µç×ÓÇ鱨Ëù¿Æ¼¼Ð§¹ûÆÀ¼ÛÖÐÐĵͦÁ¦´ó¾ÙÖ§³Ö¡£¡£¡£×Ô¶¯»¯¼°ÖÇÄÜ»¯Äê¶ÈÆÀÑ¡ÓëCAIMRSͬÆÚ¾ÙÐУ¬£¬»ã¾Û×Ô¶¯»¯ÐÐÒµÇ̳þ£¬£¬ÅÌ»õ×Ô¶¯»¯ÐÐÒµÊг¡Ç÷ÊÆ£¬£¬ÔÚÒµÄÚÓÐ×ÅÆð¾¢¡¢ÆÕ±éµÄÓ°ÏìÁ¦¡£¡£¡£
? ? ? ??OPTÆìÏÂM3ÖÇÄÜÏà»ú£¬£¬½ÓÄɸßÐÔÄÜCPU£¬£¬¼¯¶à¹¦Ð§ÓÚÒ»Ì壬£¬Í¬Ê±»úÉíСÇÉ£¬£¬Ê¹Óñã½Ý£¬£¬Ö§³Ö¹âÔ´¿ØÖÆ¡£¡£¡£´Ë´Î»ñµÃ×Ô¶¯»¯Á¢Òì½±µÄ¡°ÖÇÄܼì²â½±¡±£¬£¬M3ʵÖÁÃû¹é¡£¡£¡£

»ñµÃ×Ô¶¯»¯Á¢Òì½±µÄ¡°ÖÇÄܼì²â½±¡±£¬£¬SCI-M3ʵÖÁÃû¹é
ͼ2? Ò¼¶¨·¢M3ÖÇÄÜÏà»úÈÙ»ñ¡°ÖÇÄܼì²â½±¡±


? ? ? ? Ò¼¶¨·¢M3ÖÇÄÜÏà»ú¼ò½é

SCI-M3ÖÇÄÜÏà»úÐÔÄÜÓÅÔ½
ͼ3? M3ÖÇÄÜÏà»ú

? ? ? ??M3ÊÇÒ»¿î»ùÓÚx86µÄ¹¤ÒµÖÇÄÜÏà»ú£¬£¬½ÓÄɵÚÁù´úIntel® Atom? 2.4GHz/Intel® Pentium? 2.5GHzËĺ˴¦Öóͷ£Æ÷£¬£¬´îÅä200ÍòÏñËØ164fps´øÈ«¾ÖÆØ¹âµÄͼÏñ´«¸ÐÆ÷£¬£¬½«¸ßÐÔÄÜͼÏñ´«¸ÐÆ÷¡¢FPGA¼°PC¼¯³ÉÒ»Ì壬£¬ÊµÏÖͼÏñÊý¾ÝµÄÊÕÂÞ¼°´¦Öóͷ£ÊÂÇé¡£¡£¡£
? ? ? ??M3ÊÕÂÞµ½µÄͼÏñÊý¾ÝÏÈͨ¹ýFPGA¾ÙÐÐͼÏñÓÅ»¯Ô¤´¦Öóͷ££¬£¬Ö®ºó¾­ÓÉPCIex4 Gen2¸ßËÙ´®Ðнӿڽ«Í¼ÏñÊý¾Ý´«Ë͵½PC¶Ë¡£¡£¡£PCÔÚÉÏλ»úÖн«ÎüÊÕµ½µÄͼÏñÊý¾Ý¾ÙÐÐͼÏñËã·¨´¦Öóͷ££¬£¬Í¨¹ýCPUÅÌËã¼°GPUµÄ¼ÓËÙ£¬£¬¿ÉÒÔʵÏÖÖÖÖÖ¹¤Òµ³¡¾°µÄÊÓ¾õÓ¦Óᣡ£¡£Í¬Ê±£¬£¬´ËÏà»ú¼æÈÝSciSmartÖÇÄÜÊÓ¾õÈí¼þ£¬£¬²¢ÌṩÎÞаµÄÈí¼þÖ§³Ö¡£¡£¡£

? ? ? ??M3ÖÇÄÜÏà»ú½¹µãÊÖÒÕ

? ? ? ??1¡¢Ïà»úPCÒ»ÌåʽÉè¼Æ
? ? ? ??2¡¢PCIex4 Gen2¸ßËÙÊý¾ÝÈö²¥Êä
? ? ? ??3¡¢´øÓÐFPGAЭ´¦Öóͷ£Æ÷£¬£¬¼ÓËÙͼÏñÔ¤´¦Öóͷ£ÔËËã
? ? ? ??4¡¢GPUͼÏñËã·¨¼ÓËÙ´¦Öóͷ£
? ? ? ??5¡¢¼æÈÝSmartÖÇÄÜÊÓ¾õÈí¼þ

SCI-M3ÖÇÄÜÏà»úÃæ°å˵Ã÷
ͼ4? Ãæ°å˵Ã÷

SCI-M3ÖÇÄÜÏà»ú²ÎÊý±í
±í1? ²ÎÊý

? ? ? ??M3ÖÇÄÜÏà»ú²úÆ·ÌØµã

? ? ? ??1¡¢È«ÂÁºÏ½ðÍâ¿ÇÉè¼Æ£¬£¬Ç¿¶È¸ß£¬£¬É¢ÈÈÐÔÄܺÃ
? ? ? ??2¡¢¸ßÐÔÄܶàºË´¦Öóͷ£Æ÷
? ? ? ??3¡¢¸ßЧ¿É¿¿eMMC
? ? ? ??4¡¢¶à¹¦Ð§Ò»Ì廯ÖÇÄÜÏà»ú£¬£¬ËùÐè×°Öÿռ侫С
? ? ? ??5¡¢Ö§³Ö¹âÔ´¿ØÖÆ

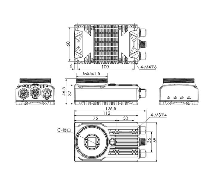
SCI-M3ÖÇÄÜÏà»ú³ß´çͼ
ͼ5? ³ß´çͼ

¡¾ÍøÕ¾µØÍ¼¡¿¡¾sitemap¡¿